Loading...
|
型号 |
额定电流(A) |
额定负荷(VA) |
额定电压(kV) |
额定频率(Hz) |
||
|
0.5 |
0.2 |
0.2S |
||||
|
LMZ1-0.5 |
5/5-300/5 |
5 |
5 |
5 |
0.5 |
50/60 |
|
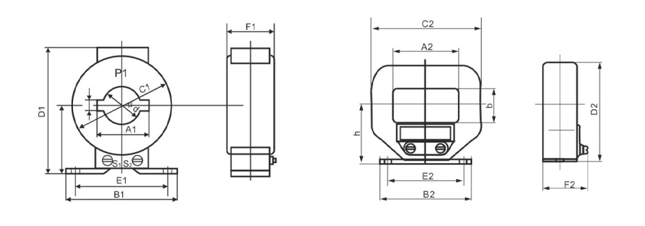
型号 |
额定电流(A) |
Φ |
B1 |
C1 |
D1 |
E1 |
F1 |
|
LMZ1-0.5 |
5/5-300/5 |
31 |
110 |
86 |
113 |
86 |
47 |
|
型号 |
额定电流(A) |
额定负荷(VA) |
额定电压(kV) |
额定频率(Hz) |
||
|
0.5 |
0.2 |
0.2S |
||||
|
LMZJ1-0.5 |
5/5-300/5 |
5 |
5 |
5 |
0.5 |
50/60 |
|
型号 |
额定电流(A) |
A1 |
B1 |
C1 |
D1 |
E1 |
F1 |
|
LMZJ1-0.5 |
5/5-300/5300/5 |
36 42 |
110 110 |
88 90 |
114 115 |
86 86 |
47 47 |
|
型号 |
额定电流(A) |
额定负荷(VA) |
额定电压(kV) |
额定频率(Hz) |
||
|
0.5 |
0.2 |
0.2S |
||||
|
LMZJ1-0.5 |
400/5-600/5 |
5 |
5 |
5 |
0.5 |
50/60 |
安装尺寸(mm)
|
型号 |
额定电流(A) |
A1 |
B1 |
C1 |
D1 |
E1 |
F1 |
|
LMZJ1-0.5 |
400/5-600/5 |
56 |
110 |
95 |
127 |
86 |
45 |
|
型号 |
额定电流(A) |
额定负荷(VA) |
额定电压(kV) |
额定频率(Hz) |
||
|
0.5 |
0.2 |
0.2S |
||||
|
LMZJ1-0.5 |
800/5-5000/5 |
5-30 |
5-30 |
5-30 |
0.5 |
50/60 |
|
型号 |
额定电流(A) |
A2 |
B2 |
C2 |
D2 |
E2 |
F2 |
|
LMZJ1-0.5 |
750/5-800/5 |
83 |
145 |
125 |
100 |
115 |
45 |
|
1000/5-1500/5 |
102 |
175 |
143 |
120 |
123 |
45 |
|
|
2000/5-4000/5 |
142 |
210 |
162 |
150 |
150 |
45 |
|
|
5000/5 |
182 |
260 |
185 |
190 |
162 |
45 |
外形及安装尺寸