Loading...
适用范围
型号及其含义

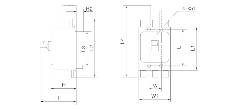
外形及安装尺寸
|
尺寸mm 产品型号 |
外形尺寸 |
安装尺寸 |
|||||||||
|
W1 |
L1 |
L2 |
L3 |
L4 |
H |
H1 |
H2 |
W |
L |
Φd |
|
|
DZ20Y.J-100 |
105 |
165* |
141 |
215 |
86.5* |
103* |
55.5 |
35 |
126 |
5 |
|
|
DZ20G-100 |
105 |
165 |
一 |
147 |
218.5 |
140 |
156.5 |
55.5 |
35 |
126 |
5 |
|
DZ20C-160 |
108 |
165 |
141 |
84 |
106.5 |
34 |
35 |
135 |
4.5 |
||
|
DZ20Y.J-225 |
108.5 |
256.5 |
326.5 |
212.5 |
402 |
105 |
142 |
90 |
35 |
196.5 |
4.5 |
|
DZ20G-225 |
116.5 |
256.5 |
326.5 |
212.5 |
402 |
187 |
227 |
100 |
35 |
196.5 |
4.5 |
|
DZ20C-250 |
109 |
208 |
298 |
184 |
105 |
142 |
90 |
35 |
172 |
4.5 |
|
|
DZ20Y.C-400 |
155 |
275 |
391 |
274 |
116 |
149.5 |
125 |
51 |
240 |
7 |
|
|
DZ20G-400 |
210 |
268 |
367 |
233 |
394 |
208 |
247 |
119 |
70 |
200 |
7 |
|
J-400 DZ20 Y.J.C-630 |
210 |
268 |
367 |
233 |
108 |
147 |
90 |
70 |
200 |
7 |
|
|
DZ20Y.J-1250 |
212 |
406 |
548 |
325 |
588 |
140 |
266 |
184 |
70 |
375 |
9 |
|
注:*板后接线时L为178,H为96.5,H1为113。 |
|||||||||||